Product Summary
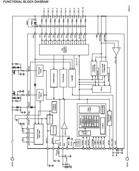
The BQ77PL900DL is a five to ten series cell lithiumion battery pack protector. The integrated I2C communications interface allows the BQ77PL900DL also to be as an analog front end (AFE) for a Host controller. Two LDOs, one 5 V/25 mA and one 3.3 V/25 mA, are also included and may be used to power a host controller or support circuitry. The applications of the BQ77PL900DL include Cordless Power Tools, Power Assisted Bicycle/Scooter, Uninterruptible Power Supply (UPS) Systems, Medical Equipment and Portable Test Equipment.
Parametrics
BQ77PL900DL absolute maximum ratings: (1)VMAX, Supply voltage range: – 0.3 to 60 V; (2)VIN, Input voltage range VC1~ VC10: – 0.3 to 60 V; VC11: 0.3 to 5 V; VCn to VCn+1, n = 1 to 10: – 0.3 to 8 V; PMS: – 0.3 to 60 V; SRP, SRN: – 0.5 to 1 V; SDATA, SCLK, EEPROM, VLOG, ZEDE, CNF0, CNF1, CNF2, TIN: – 0.3 to 7 V; (3)VO, Output voltage range CHG PACK: – 20 to 60 V; DSG BAT: – 20 to 60 V; TOUT, VOUT, IOUT, XRST, XALERT, SDATA, SCLK: – 0.3 to 7 V; CP1, CP2, CP3, CP4, CPOUT, GPOD: – 0.3 to 60 V; (4)ICB, Current for cell balancing: 10 mA; (5)TSTG, Storage temperature range: – 65 to 150℃; (6)TSOLDER, Lead temperature (soldering, 10 s): 300℃.
Features
BQ77PL900DL features: (1)5, 6, 7, 8, 9, or 10 Series-Cell Primary Protection; (2)PMOS FET Drive for Charge and Discharge FETs; (3)Capable of Operation with 1-m Ω Sense Resistor; (4)Supply Voltage Range from 7 V to 50 V; (5)Low Supply Current of 450 μ A Typical; (6)Integrated 5 V 25-mA LDO; (7)Integrated 3.3 V 25-mA LDO; (8)Stand-Alone Mode; (9)Host Control Mode.
Diagrams

| Image | Part No | Mfg | Description | ![]() |
Pricing (USD) |
Quantity | ||||||||||||
|---|---|---|---|---|---|---|---|---|---|---|---|---|---|---|---|---|---|---|
![]() |
![]() BQ77PL900DL |
![]() Texas Instruments |
![]() Battery Management 5-10 cell Li-ion Batt Prot & AFE |
![]() Data Sheet |
![]()
|
|
||||||||||||
![]() |
![]() BQ77PL900DLG4 |
![]() Texas Instruments |
![]() Battery Management 5-10cell Li Batt Prot AFE |
![]() Data Sheet |
![]()
|
|
||||||||||||
![]() |
![]() BQ77PL900DLR |
![]() Texas Instruments |
![]() Battery Management 5-10 cell Li-ion Batt Prot & AFE |
![]() Data Sheet |
![]()
|
|
||||||||||||
![]() |
![]() BQ77PL900DLRG4 |
![]() Texas Instruments |
![]() Battery Management 5-10cell Li Batt Prot AFE |
![]() Data Sheet |
![]()
|
|
||||||||||||
(China (Mainland))









