Product Summary
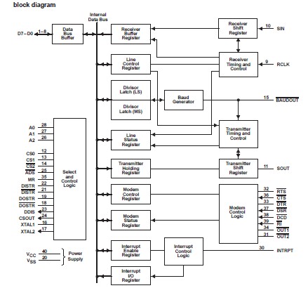
The TL16C450FN is an asynchronous communications element. It typically functions in a microcomputer system as a serial input/output interface. The TL16C450FN performs serial-to-parallel conversion on data received from a peripheral device or modem and parallel-to-serial conversion on data received from its CPU. The CPU can read and report on the status of the ACE at any point in the ACE’s operation.
Parametrics
TL16C450FN absolute maximum ratings: (1)Supply voltage range, VCC : –0.5 V to 7 V; (2)Input voltage range at any input, VI: –0.5 V to 7 V; (3)Output voltage range, VO: –0.5 V to 7 V; (4)Continuous total power dissipation at (or below) 70℃ free-air temperature: FN package: 1100 mW; N package: 800 mW; (5)Operating free-air temperature range, TA: 0℃ to 70℃; (6)Storage temperature range, Tstg: –65℃ to 150℃; (7)Case temperature for 10 seconds, TC: FN package: 260℃; (8)Lead temperature 1,6 mm (1/16 inch) from case for 10 seconds: N package: 260℃.
Features
TL16C450FN features: (1)Programmable Baud Rate Generator Allows Division of Any Input Reference Clock by 1 to (216 –1) and Generates an Internal 16×; (2)Clock; (3)Full Double Buffering Eliminates the Need for Precise Synchronization; (4)Standard Asynchronous Communication Bits (Start, Stop, and Parity) Added or Deleted to or From the Serial Data Stream; (5)Independent Receiver Clock Input; (6)Transmit, Receive, Line Status, and Data Set Interrupts Independently Controlled; (7)False Start Bit Detection; (8)Complete Status Reporting Capabilities; (9)3-State TTL Drive Capabilities for Bidirectional Data Bus and Control Bus; (10)Line Break Generation and Detection.
Diagrams

| Image | Part No | Mfg | Description | ![]() |
Pricing (USD) |
Quantity | ||||||||||||
|---|---|---|---|---|---|---|---|---|---|---|---|---|---|---|---|---|---|---|
![]() |
![]() TL16C450FN |
![]() Texas Instruments |
![]() UART Interface IC Asynch Comm Element |
![]() Data Sheet |
![]()
|
|
||||||||||||
![]() |
![]() TL16C450FNG4 |
![]() Texas Instruments |
![]() UART Interface IC Sgl UART Without FIFO |
![]() Data Sheet |
![]()
|
|
||||||||||||
![]() |
![]() TL16C450FNRG4 |
![]() Texas Instruments |
![]() UART Interface IC Sgl UART w/out FIFO |
![]() Data Sheet |
![]()
|
|
||||||||||||
![]() |
![]() TL16C450FNR |
![]() Texas Instruments |
![]() UART Interface IC Single UART Without FIFO |
![]() Data Sheet |
![]()
|
|
||||||||||||
(China (Mainland))









