Product Summary
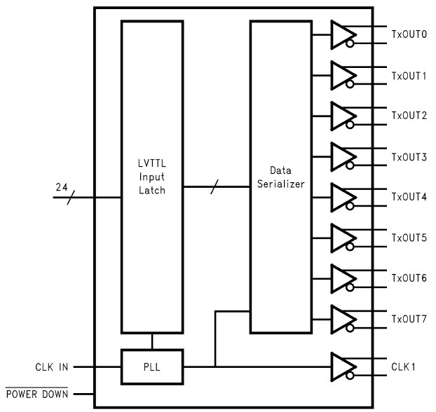
The DS90CR485VS is a 133MHz 48-bit Channel Link Serializer. It serializes the 24 LVCMOS/LVTTL double edge inputs (48 bits data latched in per clock cycle) onto 8 Low Voltage Differential Signaling (LVDS) streams. A phaselocked transmit clock of the DS90CR485VS is also in parallel with the data streams over a 9th LVDS link. The reduction of the wide TTL bus to a few LVDS lines reduces cable and connector size and cost. The double edge input of the DS90CR485VS strobes data on both the rising and falling edges of the clock. This minimizes the pin count required and simplifies PCB routing between the host chip and the serializer.
Parametrics
DS90CR485VS absolute maximum ratings: (1)Supply Voltage (VCC): -0.2V to +2.7V; (2)Supply Voltage (VCC3): -0.3V to +3.6V; (3)LVCMOS/LVTTL Input Voltage: -0.3V to (VCC3 + 0.3V); (4)LVDS Output Voltage: -0.3V to (VCC + 0.3V); (5)LVDS Short Circuit Duration: Continuous; (6)Maximum Package Power Dissipation @ 25℃ 100 TQFP Package: 2.9W; Derate TQFP Package: 23.8mW/℃ above +25℃; (7)Lead Temperature(Soldering, 4 sec.): +260℃; (8)Junction Temperature: +150℃; (9)Storage Temperature Range: -65℃ to +150℃.
Features
DS90CR485VS features: (1)Up to 6.384 Gbps throughput; (2)66MHz to 133MHz input clock support; (3)Reduces cable and connector size and cost; (4)Pre-emphasis reduces cable loading effects; (5)DC balance reduces ISI distortion; (6)24 bit double edge inputs; (7)3V Tolerant LVCMOS/LVTTL inputs; (8)Low power, 2.5V supply; (9)Flow-through pinout; (10)In 100-pin TQFP package; (11)Conforms with TIA/EIA-644-A LVDS standard.
Diagrams

| Image | Part No | Mfg | Description | ![]() |
Pricing (USD) |
Quantity | ||||||||||||
|---|---|---|---|---|---|---|---|---|---|---|---|---|---|---|---|---|---|---|
![]() |
![]() DS90CR485VS |
![]() National Semiconductor (TI) |
![]() LVDS Interface IC |
![]() Data Sheet |
![]()
|
|
||||||||||||
![]() |
![]() DS90CR485VS/NOPB |
![]() National Semiconductor (TI) |
![]() LVDS Interface IC |
![]() Data Sheet |
![]()
|
|
||||||||||||
![]() |
![]() DS90CR485VSX/NOPB |
![]() National Semiconductor (TI) |
![]() LVDS Interface IC |
![]() Data Sheet |
![]()
|
|
||||||||||||
![]() |
![]() DS90CR485VSX |
![]() National Semiconductor (TI) |
![]() LVDS Interface IC |
![]() Data Sheet |
![]()
|
|
||||||||||||
(China (Mainland))










