Product Summary
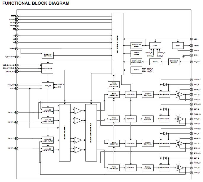
The TAS5615PHDR is a high-performance analog input CLass D amplifier with integrated closed loop feedback technology (known as PurePath HD). It has the ability to drive up to 160 W (1) Stereo into 8Ω speakers from a single 50V supply. The applications of the TAS5615PHDR include Mini Combo System, AV Receivers, DVD Receivers and Active Speakers.
Parametrics
TAS5615PHDR absolute maximum ratings: (1)VDD to AGND: –0.3 to 13.2 V; (2)GVDD to AGND :–0.3 to 13.2 V; (3)PVDD_X to GND_X: –0.3 to 69.0 V; (4)OUT_X to GND_X: –0.3 to 69.0 V; (5)BST_X to GND_X:–0.3 to 82.2 V; (6)BST_X to GVDD_X:–0.3 to 69.0 V; (7)VREG to AGND: –0.3 to 4.2 V; (8)GND_X to GND: –0.3 to 0.3 V; (9)GND_X to AGND: –0.3 to 0.3 V; (10)OC_ADJ, M1, M2, M3, OSC_IO+, OSC_IO –, FREQ_ADJ, VI_CM, C_STARTUP, PSU_REF to AGND:– 0.3 to 4.2 V; (11)INPUT_X :– 0.3 to 5 V; (12)RESET , SD , OTW1 , OTW2 , CLIP , READY to AGND: – 0.3 to 7.0 V; (13)Continuous sink current ( SD , OTW1 , OTW2 , CLIP , READY ): 9 mA; (14)Operating junction temperature range, T J: 0 to 150℃; (15)Storage temperature, T stg: – 40 to 150℃; (16)Human-Body Model, (all pins): ± 2 kV; (17)Electrostatic discharge Charged-Device Model (all pins): ± 500V.
Features
TAS5615PHDR features: (1)Active Enabled Integrated Feedback Provides: Signal Bandwidth up to 80kHz for High Frequency Content From High Definition Sources; Ultra Low 0.03% THD at 1W into 8 Ω; 0.03% THD Across all Frequencies for Natural Sound at 1W; 80dB PSRR (BTL, No Input Signal); >100dB (A weighted) SNR; Click and Pop Free Startup; Minimal External Components Compared to Discrete Solutions; (2)Multiple Configurations Possible on the Same PCB: Mono Parallel Bridge Tied Load (PBTL); 2.1 Single Ended (SE) Stereo Pair and Bridge Tied Load (BTL) Subwoofer; Quad Single Ended (SE) Outputs; (3) Total Output Power at 10%THD+N: 300W in Mono PBTL Configuration; 160W per Channel in Stereo BTL; 80W per Channel in Quad Single Ended; (4)High Efficiency Power Stage ( > 90%) With 120 m Ω Output MOSFETs; (5)Self-Protection Design (Including Undervoltage, Overtemperature, Clipping, and Short Circuit Protection) With Error Reporting; (6)EMI Compliant When Used With Recommended System Design.
Diagrams

| Image | Part No | Mfg | Description | ![]() |
Pricing (USD) |
Quantity | ||||||||||||
|---|---|---|---|---|---|---|---|---|---|---|---|---|---|---|---|---|---|---|
![]() |
![]() TAS5615PHDR |
![]() Texas Instruments |
![]() Audio Amplifiers Analog input 160W |
![]() Data Sheet |
![]()
|
|
||||||||||||
| Image | Part No | Mfg | Description | ![]() |
Pricing (USD) |
Quantity | ||||||||||||
![]() |
![]() TAS5000 |
![]() Other |
![]() |
![]() Data Sheet |
![]() Negotiable |
|
||||||||||||
![]() |
![]() TAS5000PFB |
![]() Texas Instruments |
![]() Audio DSPs Dig Aud PWM Proc |
![]() Data Sheet |
![]()
|
|
||||||||||||
![]() |
![]() TAS5000PFBG4 |
![]() Texas Instruments |
![]() Audio DSPs Dig Aud PWM Proc |
![]() Data Sheet |
![]()
|
|
||||||||||||
![]() |
![]() TAS5001 |
![]() Other |
![]() |
![]() Data Sheet |
![]() Negotiable |
|
||||||||||||
![]() |
![]() TAS5001-5122C2EVM |
![]() Texas Instruments |
![]() Audio IC Development Tools TAS5001-5122C2 Eval Mod |
![]() Data Sheet |
![]() Negotiable |
|
||||||||||||
![]() |
![]() TAS5001IPFB |
![]() Texas Instruments |
![]() Audio DSPs Digital Audio PWM Processor |
![]() Data Sheet |
![]() Negotiable |
|
||||||||||||
(China (Mainland))










