Product Summary
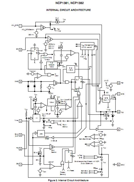
The NCP1382DR2G is a Low-Standby High Performance PWM Controller. Housed in a SO-14 package, the NCP1382DR2G includes everything needed to build rugged and efficient Quasi-Resonant (QR) Switching Power Supplies. When powered by a front-end Power Factor Correction circuitry, the NCP1382DR2G automatically disconnects the PFC controller in low output loading conditions (with an adjustable level), thus improving the standby power. Typical Applications of the NCP1382DR2G include High Power AC/DC Adapters for Notebooks, etc, Offline Battery Chargers and Set-Top Boxes Power Supplies, TV, Monitors, etc.
Parametrics
NCP1382DR2G absolute maximum ratings: (1)Vsupply, Maximum Power Supply Voltage on Pin 10 (VCC), Pin 9 (DRV), and Pin 11 (GTS): 20 V; (2)Maximum Current in Pin 10 (VCC): ±30 mA; (3)Maximum Current in Pin 11 (GTS): ±20 mA; (4)Maximum Current in Pin 9 (DRV): ±1 A; (5)Power Supply Voltage on all Other Pins Except Pin 10 (VCC), Pin 9 (DRV), Pin 3 (DMG) and Pin 11 (GTS): -0.3 to 5 V; (6)Maximum Current Into All Other Pins Except Pin 10 (VCC), Pin 9 (DRV) and Pin 11 (GTS): ±10 mA; (7)Idem Maximum Current in Pin 3 (DMG), When 10 V ESD Zener is Activated: +3 / -3 mA; (8)RJ-A Thermal Resistance Junction-to-Air: 150℃/W; (9)TJMAX Maximum Junction Temperature: 150℃; (10)Storage Temperature Range: -60 to +150℃; (11)ESD Capability, Human Body Model: 2 kV; (12)ESD Capability, Machine Model: 200 V.
Features
NCP1382DR2G features: (1)Current-Mode Quasi-Resonant Operation; (2)Adjustable Line Over Power Protection; (3)Extremly Low Startup Current of 15 uA Maximum; (4)Soft-Skip Cycle Capability at Adjustable Peak Currents; (5)Plateau Sensing Overvoltage; (6)Brown-out Protection; (7)Maximum TON Limitation; (8)Overpower Protection by Current Sense Offset; (9)Internal 5ms Soft-Start Management; (10)Short-Circuit Protection Independent of Auxiliary Level.
Diagrams

| Image | Part No | Mfg | Description | ![]() |
Pricing (USD) |
Quantity | ||||||||||||
|---|---|---|---|---|---|---|---|---|---|---|---|---|---|---|---|---|---|---|
![]() |
![]() NCP1382DR2G |
![]() ON Semiconductor |
![]() Current Mode PWM Controllers L-STNDBY PWM CNTRLR |
![]() Data Sheet |
![]()
|
|
||||||||||||
| Image | Part No | Mfg | Description | ![]() |
Pricing (USD) |
Quantity | ||||||||||||
![]() |
![]() NCP100 |
![]() Other |
![]() |
![]() Data Sheet |
![]() Negotiable |
|
||||||||||||
![]() |
![]() NCP1000 |
![]() Other |
![]() |
![]() Data Sheet |
![]() Negotiable |
|
||||||||||||
![]() |
![]() NCP1000P |
![]() ON Semiconductor |
![]() Other Power Management 700V 500mA Switching |
![]() Data Sheet |
![]() Negotiable |
|
||||||||||||
![]() |
![]() NCP1000PG |
![]() ON Semiconductor |
![]() Other Power Management 700V 500mA Switching w/OVP and Zero Duty |
![]() Data Sheet |
![]() Negotiable |
|
||||||||||||
![]() |
![]() NCP1001 |
![]() Other |
![]() |
![]() Data Sheet |
![]() Negotiable |
|
||||||||||||
![]() |
![]() NCP1001P |
![]() ON Semiconductor |
![]() Other Power Management 700V 500mA Switching |
![]() Data Sheet |
![]() Negotiable |
|
||||||||||||
(China (Mainland))










